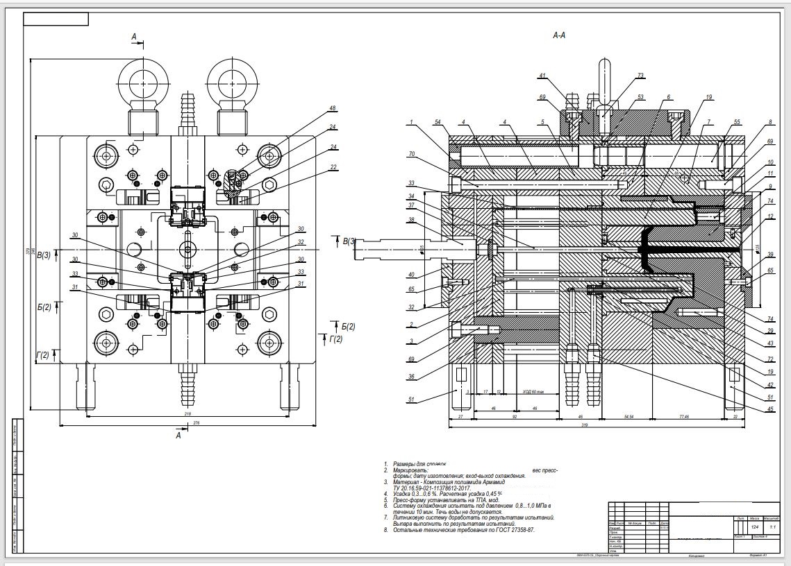
Пресс-форма для ТПА
Для полной функциональности этого сайта необходимо включить JavaScript.
Ульяновск
29 лет
На сайте с: 18.05.2018
Проект от визуализации до конструкторской документации.
Александр Самаркин
theaveunion
Рейтинг: 430
Паспорт верифицирован
Всего отзывов:
22
0
Выполнил заданий:
23
Нейросаммари
Активность:
Работ в портфолио:
82
Типовых услуг:
0
Работ на продажу:
0
Был на сайте:
2025-12-27 в 17:28
+79084728087
inbox
telegram
whatsapp
samarkinalex@yandex.ru
Предложить работу
Добавить в избранное
Добавить рекомендацию
Пожаловаться
Инженерия
133
0
Пресс-форма для ТПА
Используемые навыки:
Машиностроение
Описание
Решение
Результат
Соавторы
Презентация проекта
Примеры реализации
Описание
Пресс-форма для ТПА
Презентация проекта
Оценили проект:
0
×
Оценили проект
×
Авторизация
Для того чтобы оценивать проекты, вам нужно войти на сайт
Другие проекты
Все проекты
Накладки на мотоблок
Шлем Яндекс доставки
Корпус сенсора
FREELANCE.RU
Toggle navigation
Нанять фрилансера
Заказчику
Найти по специализации
Найти по услугам
Провести конкурс
Разместить задание
Виртуальный HR
Другое
Найти работу
Фрилансеру
Найти задание
Присоединиться к команде
Участвовать в конкурсе
Предложить услугу
Другое
Возможности
Для заказчика
Для фрилансера
Вход
Разместить задание
▲