Самое главное - не экономить на фундаменте и крыше!

Андрей Ерастов erikbond

Рейтинг: 93
не верифицирован
Всего отзывов: 0
  • Работ в портфолио: 23
  • Типовых услуг: 0
  • Работ на продажу: 0
  • Возраст: 37 лет
  • Зарегистрирован: 07.07.2014
Был на сайте:

Офисное здание с подземной парковкой

Используемые навыки:

Описание

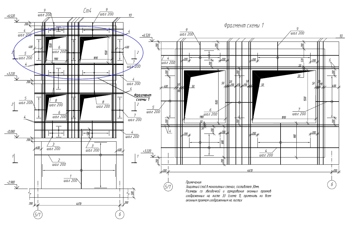
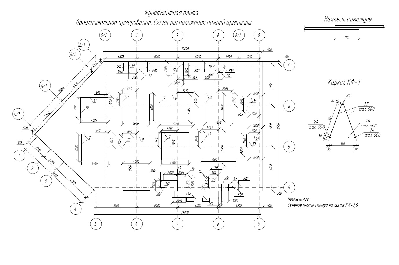
Подземная парковка по всем требованиям негосударственной экспертизы.

Презентация проекта

pic2374240.jpg
001.jpg
018.jpg
016.jpg
Армирование колонн.jpg
Армирование колонны 2.jpg
Армирование лестницы.jpg
армирование пандус.jpg
Армирование стены.jpg

Оценили проект:

0