Самое главное - не экономить на фундаменте и крыше!

Андрей Ерастов erikbond

Рейтинг: 93
не верифицирован
Всего отзывов: 0
  • Работ в портфолио: 23
  • Типовых услуг: 0
  • Работ на продажу: 0
  • Возраст: 37 лет
  • Зарегистрирован: 07.07.2014
Был на сайте:

Мех Мастерские раздел КМ

Используемые навыки:

Описание

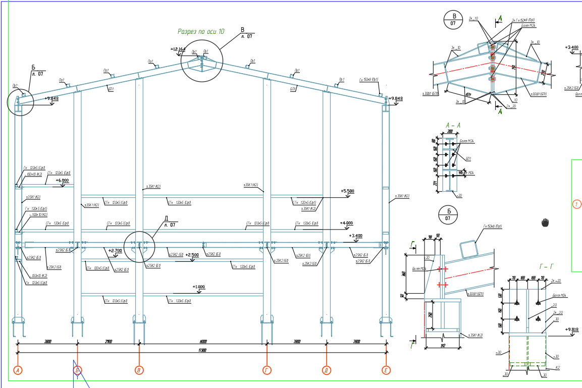
Механические мастерские. раздел КМ. в 3Д программе, специализирующаяся на металле.

Презентация проекта

pic3707991.jpg
001 Механические мастерские 2.png
001 Механические мастерские 3.png
001 Механические мастерские 4.png
001 Механические мастерские 5.png
001 Механические мастерские 6.png

Оценили проект:

0