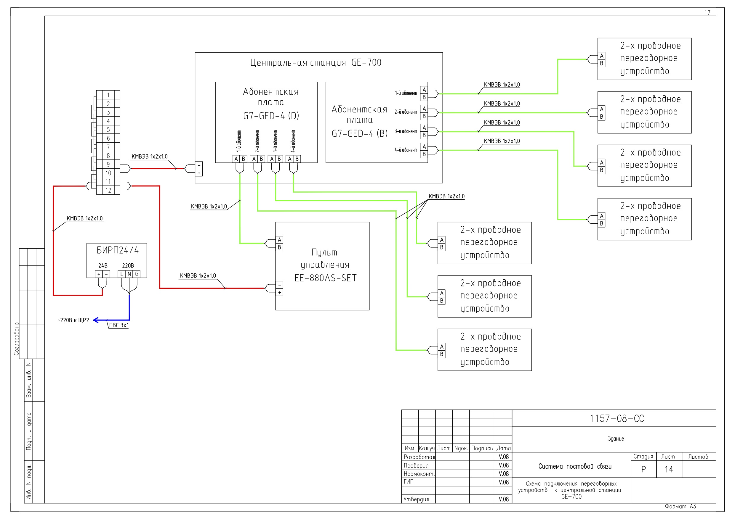
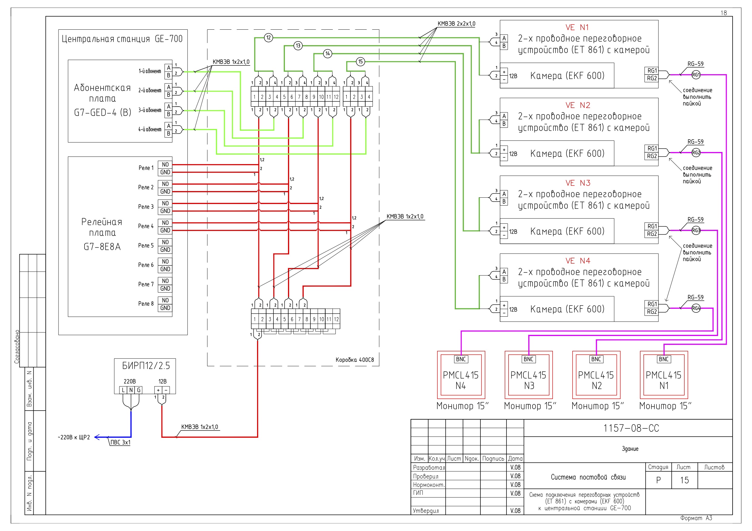
Система постовой связи
Для полной функциональности этого сайта необходимо включить JavaScript.
Москва
43 года
На сайте с: 11.01.2013
Александр Порывай
Frage
Рейтинг: 88
не верифицирован
Всего отзывов:
1
0
Работ в портфолио:
8
Типовых услуг:
0
Работ на продажу:
0
Был на сайте:
2024-10-16 в 20:37
Предложить работу
Добавить в избранное
Добавить рекомендацию
Пожаловаться
Инженерия
26
0
Система постовой связи
Используемые навыки:
Слаботочные системы
Описание
Решение
Результат
Соавторы
Презентация проекта
Примеры реализации
Описание
Примеры чертежей системы постовой связи
Презентация проекта
Оценили проект:
0
×
Оценили проект
×
Авторизация
Для того чтобы оценивать проекты, вам нужно войти на сайт
Другие проекты
Все проекты
Система охранной сигнализации и управления доступом
Структурированная кабельная система и телефония
Эскизный проект склада
FREELANCE.RU
Toggle navigation
Нанять фрилансера
Заказчику
Найти по специализации
Найти по услугам
Провести конкурс
Разместить задание
Виртуальный HR
Другое
Найти работу
Фрилансеру
Найти задание
Присоединиться к команде
Участвовать в конкурсе
Предложить услугу
Другое
Возможности
Для заказчика
Для фрилансера
Вход
Разместить задание
▲