Быстро, качественно, недорого

Семен Шишов ruderalis

Рейтинг: 117
Паспорт верифицирован
Всего отзывов: 1 0
Опубликовал заданий: 1
  • Работ в портфолио: 42
  • Типовых услуг: 0
  • Работ на продажу: 0
  • Возраст: 36 лет
  • Зарегистрирован: 16.08.2022
Был на сайте:

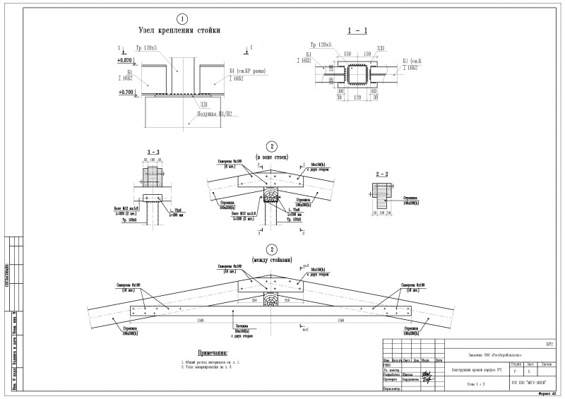
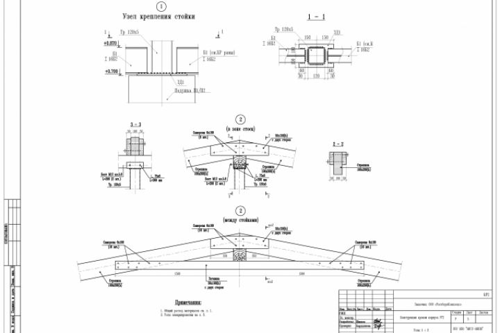
Молокозавод. Кровля КД

Описание

Устройство деревянной кровли для производственного корпуса "Ростагроэкспорт"

Презентация проекта

pic4342933.jpg

Оценили проект:

0