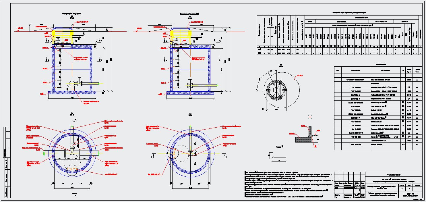
Фрагмент деталировки водопроводных колодцев
Для полной функциональности этого сайта необходимо включить JavaScript.
Москва
Евгений Корсунцев
Astored
Рейтинг: 160
не верифицирован
Всего отзывов:
0
Нейросаммари
Работ в портфолио:
100
Типовых услуг:
2
Работ на продажу:
0
Зарегистрирован:
31.05.2014
Был на сайте:
2026-04-02 в 08:04
inbox
pro-sprinkler.ru
Предложить работу
Добавить в избранное
Добавить рекомендацию
Пожаловаться
Инженерия
439
0
Фрагмент деталировки водопроводных колодцев
Используемые навыки:
Водоснабжение и водоотведение
Описание
Решение
Результат
Соавторы
Презентация проекта
Примеры реализации
Описание
Презентация проекта
Оценили проект:
0
×
Оценили проект
×
Авторизация
Для того чтобы оценивать проекты, вам нужно войти на сайт
Другие проекты
Все проекты
Фрагмент продольного профиля к участку водовода
Узел в водопроводном колодце. Компановка листа
Общий вид НС пожаротушения
FREELANCE.RU
Toggle navigation
Нанять фрилансера
Заказчику
Каталог фрилансеров
Каталог PRO
Каталог студий
Каталог услуг
Каталог работ
Виртуальный HR
Умный поиск
Провести конкурс
Разместить задание
Найти работу
Найти задание
Присоединиться к команде
Участвовать в конкурсе
Предложить услугу
Вход
Разместить задание
▲