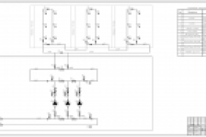
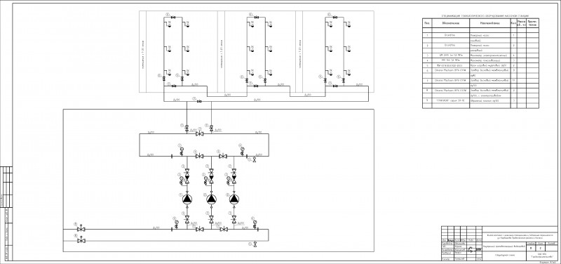
Схема ВПТ
Для полной функциональности этого сайта необходимо включить JavaScript.
Москва
На сайте с: 31.05.2014
Евгений Корсунцев
Astored
Рейтинг: 160
не верифицирован
Всего отзывов:
0
Нейросаммари
Работ в портфолио:
100
Типовых услуг:
2
Работ на продажу:
0
Был на сайте:
2024-11-20 в 13:35
inbox
pro-sprinkler.ru
Предложить работу
Добавить в избранное
Добавить рекомендацию
Пожаловаться
Инженерия
118
0
Схема ВПТ
Используемые навыки:
Водоснабжение и водоотведение
Описание
Решение
Результат
Соавторы
Презентация проекта
Примеры реализации
Описание
Презентация проекта
Оценили проект:
0
×
Оценили проект
×
Авторизация
Для того чтобы оценивать проекты, вам нужно войти на сайт
Другие проекты
Все проекты
Программа для расчета фундамента под насосный агрегат
Фрагмент деталировки водопроводных колодцев с гидрантами
Программа для расчета ливневой канализации
FREELANCE.RU
Toggle navigation
Нанять фрилансера
Заказчику
Найти по специализации
Найти по услугам
Провести конкурс
Разместить задание
Другое
Найти работу
Фрилансеру
Найти задание
Присоединиться к команде
Участвовать в конкурсе
Другое
Возможности
Для заказчика
Для фрилансера
Вход
Разместить задание
▲