Сказано - сделано

Виктор Воробьев vorvik

Рейтинг: 1 828
не верифицирован
Всего отзывов: 3 0
Выполнил заданий: 5
  • Работ в портфолио: 19
  • Типовых услуг: 2
  • Работ на продажу: 0
  • Зарегистрирован: 17.09.2016
  • Образование: Cпециалитет
  • Юридический статус:Самозанятый
  • Стоимость услуг (руб): 1 500 за месяц
Был на сайте:

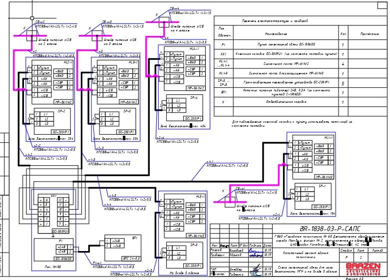
Раздел САПС проекта Кап. ремонта поликлиники

Используемые навыки:

Описание

Разработана проектная и рабочая документация раздела САПС (аудиовизуальная и палатная связь) в составе проекта капитального ремонта Поликлиники № 68 в г. Москва. Раздел прошел экспертизу. Год разработки - 2020.

Презентация проекта

pic4013421.jpg

Оценили проект:

0