Тепловая схема котельной
Для полной функциональности этого сайта необходимо включить JavaScript.
Уфа
На сайте с: 15.11.2016
Дамир Ильясов
DProekt
Рейтинг: 1 780
не верифицирован
Всего отзывов:
1
0
Нейросаммари
Работ в портфолио:
34
Типовых услуг:
0
Работ на продажу:
0
Образование:
Cпециалитет
Стаж работы:
17 лет
Тип занятости:
Полный фриланс
Юридический статус:
Самозанятый
Был на сайте:
2026-02-11 в 11:00
inbox
Предложить работу
Добавить в избранное
Добавить рекомендацию
Пожаловаться
Инженерия
58
0
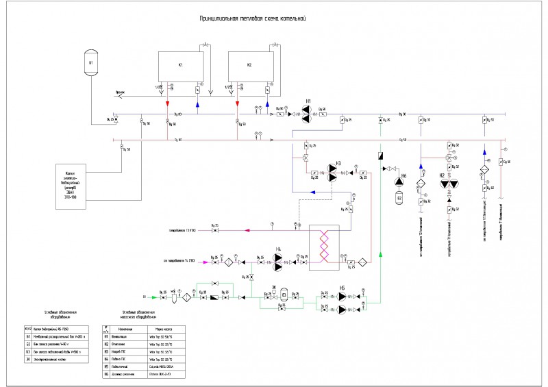
Тепловая схема котельной
Используемые навыки:
Теплоснабжение/Отопление/Вентиляция
Описание
Решение
Результат
Соавторы
Презентация проекта
Примеры реализации
Описание
Презентация проекта
Оценили проект:
0
×
Оценили проект
×
Авторизация
Для того чтобы оценивать проекты, вам нужно войти на сайт
Другие проекты
Все проекты
Реконструкция сетей ГВС ХВС 7000 кв.метров
Наружные сети водоснабжения 6 км
Реконструкция сетей ГВС ХВС 7000 кв.метров
FREELANCE.RU
Toggle navigation
Нанять фрилансера
Заказчику
Найти по специализации
Найти по услугам
Провести конкурс
Разместить задание
Виртуальный HR
Другое
Найти работу
Фрилансеру
Найти задание
Присоединиться к команде
Участвовать в конкурсе
Предложить услугу
Другое
Возможности
Для заказчика
Для фрилансера
Вход
Разместить задание
▲