Рейтинг: 51
не верифицирован
Всего отзывов: 0
  • Работ в портфолио: 11
  • Типовых услуг: 0
  • Работ на продажу: 0
Был на сайте:

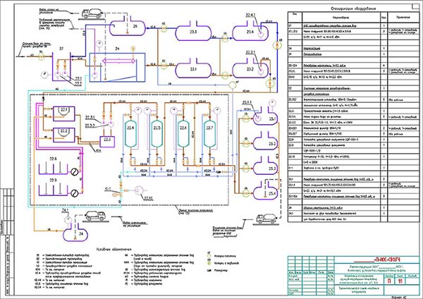
Очистные сооружения производственно-дождевых сточных вод НПЗ

Используемые навыки:

Описание

Объект: мини-НПЗ в Мурманской обл.
Проект: система водоотведения НПЗ (стадия П, раздел СВО). В составе проекта разработаны очистные сооружения производственных и дождевых стоков).
Производительность очистных сооружений (максимальная) 109 л/с; 336 куб.м/сут.

Презентация проекта

pic2699814.jpg

Оценили проект:

0