Рейтинг: 51
не верифицирован
Всего отзывов: 0
  • Работ в портфолио: 11
  • Типовых услуг: 0
  • Работ на продажу: 0
Был на сайте:

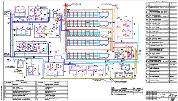
Очистные сооружения хоз.-бытовых сточных вод Q=2 000 куб.м/сут

Используемые навыки:

Описание

Очистные сооружения бытовых сточных вод выполнены в блочно-модульном варианте. Производительность 2000 куб. м/сут с расширением до 4000 куб.м/сут. Раздел ТХ. Объект - город в Камчатском крае.

Презентация проекта

pic2703984.jpg

Оценили проект:

0