Рейтинг: 58
не верифицирован
Всего отзывов: 1 0
Профессионализм: 10 Коммуникация: 10
Выполнил заданий: 1
  • Работ в портфолио: 3
  • Типовых услуг: 0
  • Работ на продажу: 0
Был на сайте:

Разработка схемы измерения параметров индуктивного датчика угла

Используемые навыки:

Описание

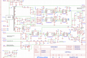
Схема измерения параметров индуктивного датчика угла. Показан вариант под синусоидальный сигнал. После уточнения ТЗ был переделан под меандр.

Презентация проекта

pic4629881.jpg

Оценили проект:

0