Рейтинг: 58
не верифицирован
Всего отзывов: 1 0
Профессионализм: 10 Коммуникация: 10
Выполнил заданий: 1
  • Работ в портфолио: 3
  • Типовых услуг: 0
  • Работ на продажу: 0
  • Зарегистрирован: 02.03.2024
Был на сайте:

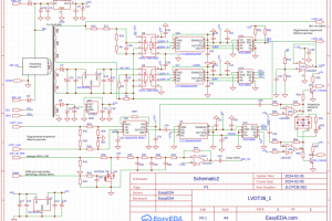
Схема выходного контроля индуктивного датчика угла поворота

Используемые навыки:

Описание

Для первичной обмотки датчика схема формиует синусоидальный сигнал 36Вэф из внешнего меандра 400 Гц.

Выполняется измерение эффективных тока и напряжения на первичной обмотке и напряжения на вторичной. Реализован индикатор разности фаз. Результаты измерений оцифровываются и могут быть считаны по интерфейсу I2C.

Презентация проекта

pic4553899.jpg

Оценили проект:

0