Из данных — в пространство

Михаил Данилов DedNaBorde

Рейтинг: 53
не верифицирован
Всего отзывов: 0
  • Работ в портфолио: 3
  • Типовых услуг: 0
  • Работ на продажу: 0
  • Стаж работы: 7 лет
  • Зарегистрирован: 21.10.2025
  • Образование: Бакалавриат
  • Стоимость услуг (руб): 1 000 за час 150 000 за месяц
Был на сайте:

Описание

🎯 Задача:
Разработка полного комплекта проектной (ПД) и рабочей документации (РД) по разделу «Наружное освещение» для благоустройства территории промышленного объекта.

Решение

🔧 Выполненные работы:
Проектная документация (ПД):
- Расчёт освещённости территории с учётом нормативных требований СП 52.13330, ГОСТ Р 55706 и СанПиН
- Разработка схемы размещения опор наружного освещения и светильников
- Подбор светотехнического оборудования (светильники LED, опоры, кронштейны)
- Проектирование кабельных трасс и точек подключения к существующим сетям 0,4 кВ
- Составление спецификации оборудования и материалов
- Пояснительная записка с техническими решениями и обоснованием

Рабочая документация (РД):
- Рабочие чертежи плана расстановки опор освещения с привязками и координатами
- Схемы прокладки кабельных линий с указанием марок кабеля, способов прокладки и глубины заложения
- Монтажные узлы установки опор, фундаментов и светильников
- Схемы подключения светильников и распределительных шкафов управления освещением
- Ведомости объёмов работ, спецификации оборудования и материалов по ГОСТ 21.110
- Детальные разрезы прокладки кабельных трасс и узлов заземления

💡 Технические решения:
- Применение энергоэффективных LED-светильников с классом защиты IP65
- Автоматическое управление освещением с использованием фотореле и таймеров
- Прокладка кабельных линий ВВГнг-LS в траншеях с защитой гофротрубой и предупредительной лентой
- Заземление опор и металлических конструкций по ПУЭ
- Интеграция в существующую систему электроснабжения объекта

📐 Программное обеспечение:
AutoCAD, DIALux (расчёт освещённости), Excel (спецификации и ведомости)

Результат

✅Полный комплект проектной и рабочей документации, согласованный с заказчиком и принятый для реализации. Документация соответствует требованиям ГОСТ, СП и СанПиН, обеспечивает нормативную освещённость территории и энергоэффективность системы.

Презентация проекта

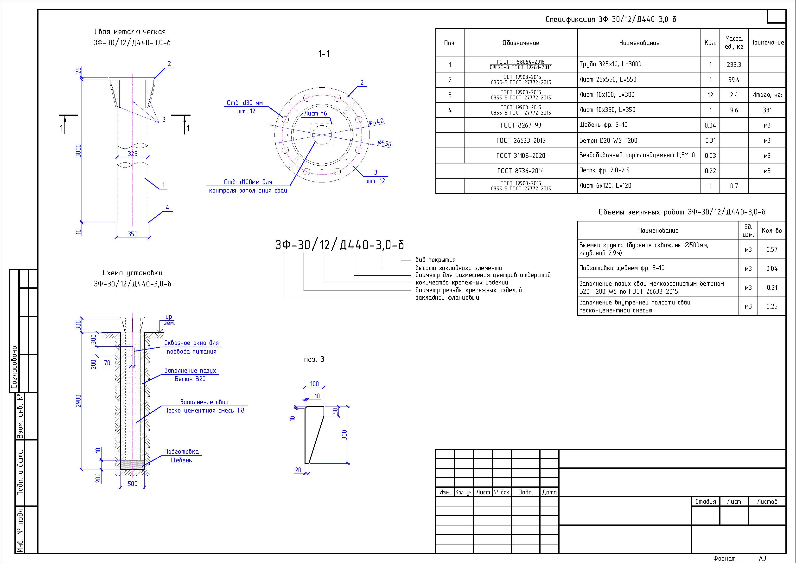
Страницы из 2-П-01.2024-НО РД 18.08.2025-2_Страница_2.jpg
Страницы из 2-П-01.2024-НО РД 18.08.2025-2_Страница_1.jpg
Страницы из 2-П-01.2024-НО РД 18.08.2025-2_Страница_3.jpg
Страницы из 2-П-01.2024-НО РД 18.08.2025-2_Страница_4.jpg

Оценили проект:

0