Рейтинг: 43
не верифицирован
Всего отзывов: 0
  • Работ в портфолио: 3
  • Типовых услуг: 0
  • Работ на продажу: 0
  • Образование: Cпециалитет
  • Стаж работы: 12 лет
  • Тип занятости: Полный фриланс
  • Юридический статус:Самозанятый
Был на сайте:

Система контроля и управления доступом в офисе

Описание

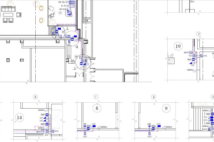
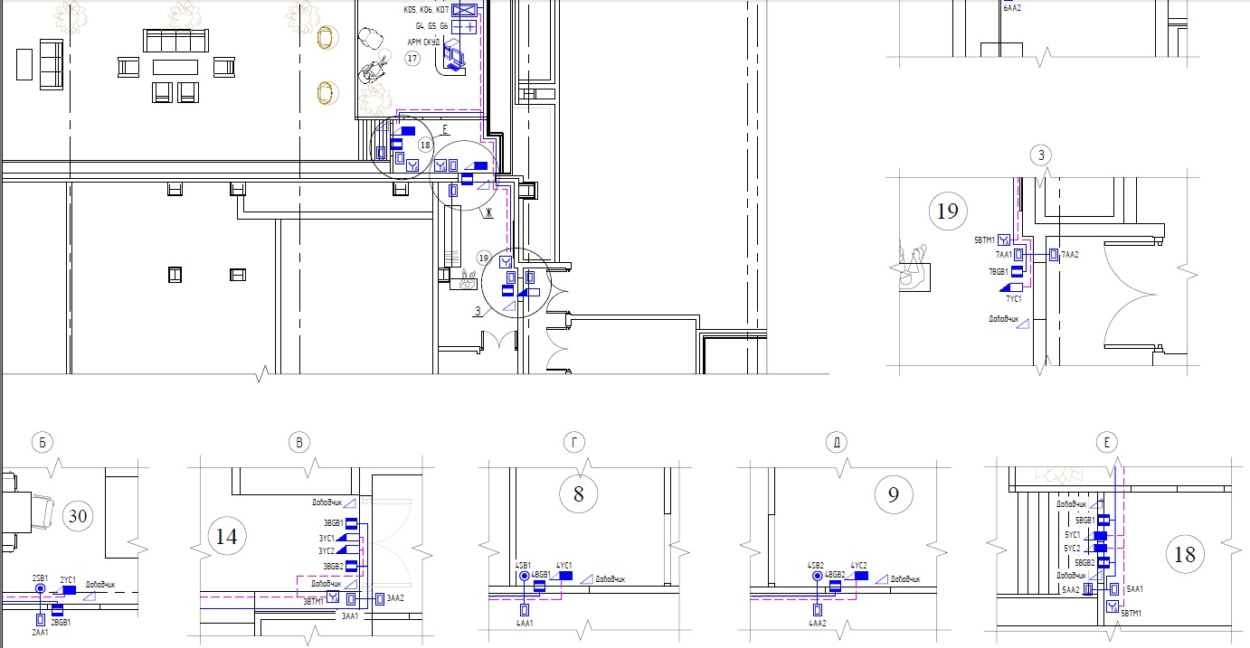
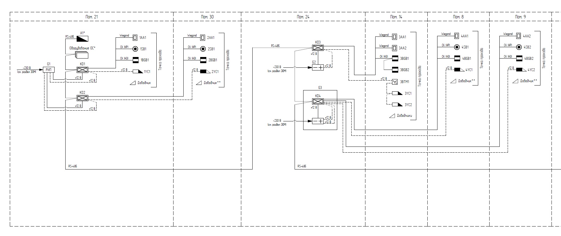
Система контроля и управления доступом (СКУД) в офисе, на базе оборудования Болид

Презентация проекта

Сх. структурная_01.jpg
План_01.jpg

Оценили проект:

0