Рейтинг: 43
не верифицирован
Всего отзывов: 0
  • Работ в портфолио: 3
  • Типовых услуг: 0
  • Работ на продажу: 0
  • Образование: Cпециалитет
  • Стаж работы: 12 лет
  • Тип занятости: Полный фриланс
  • Юридический статус:Самозанятый
Был на сайте:

Система наружного видеонаблюдения учебного заведения

Описание

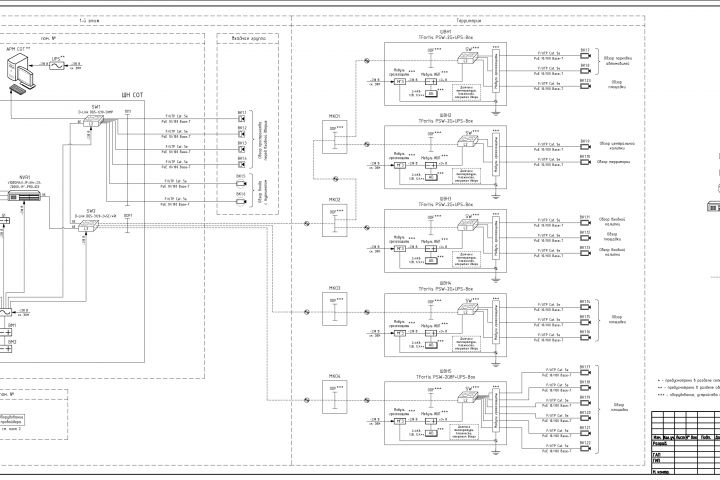
Проект системы видеонаблюдения учебного заведения:
- 6 камер на входе в здание;
- 17 камер на территории объекта;
- 1 шкаф системы видеонаблюдения в здании;
- 5 шкафов видеонаблюдения на территории объекта.

Презентация проекта

Система охранного видеонаблюдения_ххххх-СОТ2_Страница_1.jpg
Система охранного видеонаблюдения_ххххх-СОТ2_Страница_2.jpg
Система охранного видеонаблюдения_ххххх-СОТ2_Страница_6.jpg

Оценили проект:

0