Рейтинг: 171
не верифицирован
Всего отзывов: 0
  • Работ в портфолио: 2
  • Типовых услуг: 0
  • Работ на продажу: 0
  • Возраст: 30 лет
  • Зарегистрирован: 08.07.2024
Был на сайте:

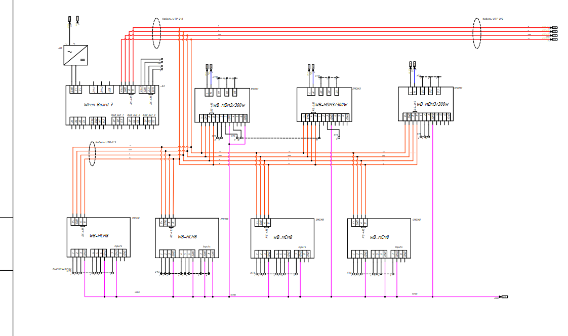
ША умный ДОМ.

Описание

Заказчик попросил нарисовать принципиальную схему ША (Умный дом в квартиру) по кабельному журналу.

Решение

По началу я думал будет сложно так как однолинейка была кривая и её сначала нужно было отредактировать. Для этого мне нужно было созвонится с заказчиком так как он и занимается установкой умного дома, он всё подробно объяснил как работает то или иное оборудование.

Результат

Результат заказчику понравился, так как я его собирал работает на ура, самое сложное было его собирать так как все провода были с зади, те кто собирал внутриквартирные шкафы поймут! Да так как шкаф уже был заложен с трудом пришлось уместить клемники.
Цена всех работ 70000 тыс рублей! Сборка шкафа 50000 тысяч рублей, так расходники на мне и из-за сложности сборки и сама схема 20000 тыс.

Презентация проекта

ША умный дом.png
ША умный дом2.png
ША умный дом3.png

Оценили проект:

0

Другие проекты Все проекты