Рейтинг: 54
не верифицирован
Всего отзывов: 0
  • Работ в портфолио: 4
  • Типовых услуг: 0
  • Работ на продажу: 0
Был на сайте:

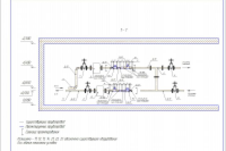
Схема монтажа расходомеров УУТЭ

Описание

Пример чертежа "Схема монтажа расходомеров УУТЭ"

Презентация проекта

pic2961116.jpg

Оценили проект:

0