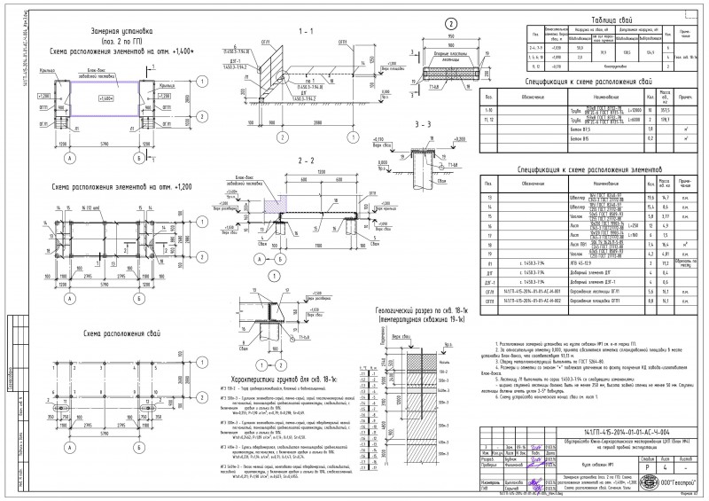
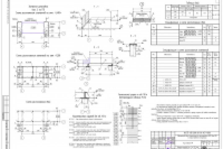
Обустройство Южно-Сюрзаратинского месторождения
Для полной функциональности этого сайта необходимо включить JavaScript.
Краснодар
На сайте с: 22.03.2017
Алексей Будник
alekseybudnick
Рейтинг: 76
не верифицирован
Всего отзывов:
0
Работ в портфолио:
16
Типовых услуг:
0
Работ на продажу:
0
Был на сайте:
2017-04-05 в 21:47
+79094642823
inbox
krasnodar.hh.ru/resume/b24843a7ff0208263d0039ed1f4f4b33426256
Вконтакте
Предложить работу
Добавить в избранное
Добавить рекомендацию
Пожаловаться
Инженерия
18
0
Обустройство Южно-Сюрзаратинского месторождения
Используемые навыки:
Проектирование объектов
Описание
Решение
Результат
Соавторы
Презентация проекта
Примеры реализации
Описание
Презентация проекта
Оценили проект:
0
×
Оценили проект
×
Авторизация
Для того чтобы оценивать проекты, вам нужно войти на сайт
Другие проекты
Все проекты
КЖ (БЦТП "Сочи")
Обустройство Южно-Сюрзаратинского месторождения
КМ (БЦТП "Сочи")
FREELANCE.RU
Toggle navigation
Нанять фрилансера
Заказчику
Найти по специализации
Найти по услугам
Провести конкурс
Разместить задание
Другое
Найти работу
Фрилансеру
Найти задание
Присоединиться к команде
Участвовать в конкурсе
Другое
Возможности
Для заказчика
Для фрилансера
Вход
Разместить задание
▲