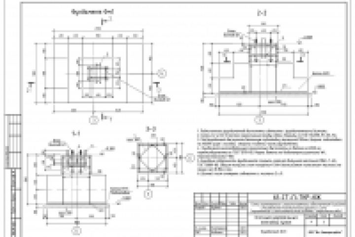
КЖ (БЦТП "Сочи")
Для полной функциональности этого сайта необходимо включить JavaScript.
Краснодар
На сайте с: 22.03.2017
Алексей Будник
alekseybudnick
Рейтинг: 76
не верифицирован
Всего отзывов:
0
Работ в портфолио:
16
Типовых услуг:
0
Работ на продажу:
0
Был на сайте:
2017-04-05 в 21:47
+79094642823
inbox
krasnodar.hh.ru/resume/b24843a7ff0208263d0039ed1f4f4b33426256
Вконтакте
Предложить работу
Добавить в избранное
Добавить рекомендацию
Пожаловаться
Инженерия
14
0
КЖ (БЦТП "Сочи")
Используемые навыки:
Проектирование объектов
Описание
Решение
Результат
Соавторы
Презентация проекта
Примеры реализации
Описание
Презентация проекта
Оценили проект:
0
×
Оценили проект
×
Авторизация
Для того чтобы оценивать проекты, вам нужно войти на сайт
Другие проекты
Все проекты
Обустройство Южно-Сюрзаратинского месторождения
КЖ (БЦТП "Сочи")
КМ (БЦТП "Сочи")
FREELANCE.RU
Toggle navigation
Нанять фрилансера
Заказчику
Найти по специализации
Найти по услугам
Провести конкурс
Разместить задание
Виртуальный HR
Другое
Найти работу
Фрилансеру
Найти задание
Присоединиться к команде
Участвовать в конкурсе
Другое
Возможности
Для заказчика
Для фрилансера
Вход
Разместить задание
▲