Рейтинг: 86
не верифицирован
Всего отзывов: 0
  • Работ в портфолио: 26
  • Типовых услуг: 0
  • Работ на продажу: 0
Был на сайте:

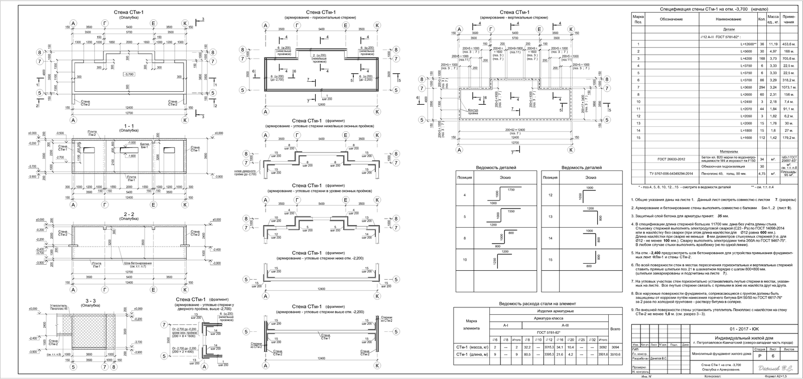
Монолитный фундамент под деревянный дом из бруса

Используемые навыки:

Описание

Монолитный фундамент под деревянный дом из бруса. Дом расположен на склоне, поэтому фундамент выполнен разной высоты. В высокой части предусмотрен подвал.
Данный проект выполнен по предложению "Проект фундамента загородного дома" на сайте www.proektanti.ru/projects/show/12642

Презентация проекта

pic3135389.jpg
Стена подвала.png

Оценили проект:

0