Рейтинг: 63
не верифицирован
Всего отзывов: 0
  • Работ в портфолио: 3
  • Типовых услуг: 0
  • Работ на продажу: 0
Был на сайте:

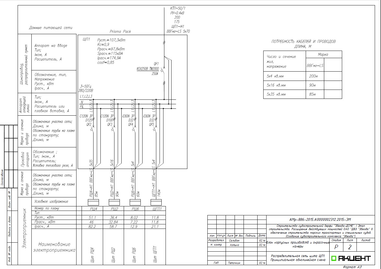
Система гарантированного питания (ЭМ)

Используемые навыки:

Описание

По степени надежности электроснабжения электрооборудование пристройки относится ко второй категории.
Напряжение сети 380/220В с глухозаземленной нейтралью.
Система заземления - TN-S: нулевой рабочий (N) и нулевой защитный (PE) проводники
работают раздельно по всей сети.
Для питания розеточных групп потребителей настоящим проектом предусмотрена
организация выделенной электрораспределительной сети в составе
распределительных щитов РЩ1...РЩ6, установленных на отм. 0.000, +4.800 и +8.400.
Для питания серверного оборудования предусмотрен щит ЩГП1, расположенный в помещении серверной на отм. +4.800; предусмотренный проектом ИБП Symmetra PX2 обеспечивает бесперебойным питанием активное оборудование на срок не менее 30минут.
Питание осуществляется от магистрального щита ЩП1, расположенного в помещении РУ-0,4кВ.
Электрические сети выполняются кабелями ВВГнг-LS, прокладываемыми в существующих кабельных лотках, в гофротрубе в пространстве фальшпотолка, а по рабочим местам в кабель-канале совместно со слаботочными сетями (структурированная кабельная система).

Презентация проекта

pic3607339.jpg

Оценили проект:

0