Рейтинг: 63
не верифицирован
Всего отзывов: 0
  • Работ в портфолио: 3
  • Типовых услуг: 0
  • Работ на продажу: 0
Был на сайте:

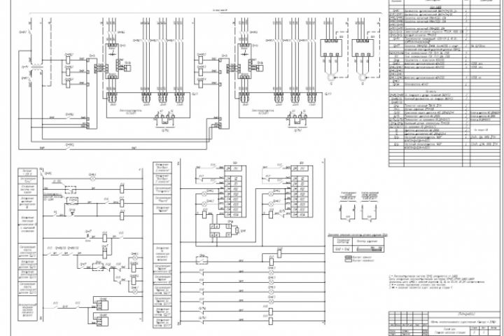
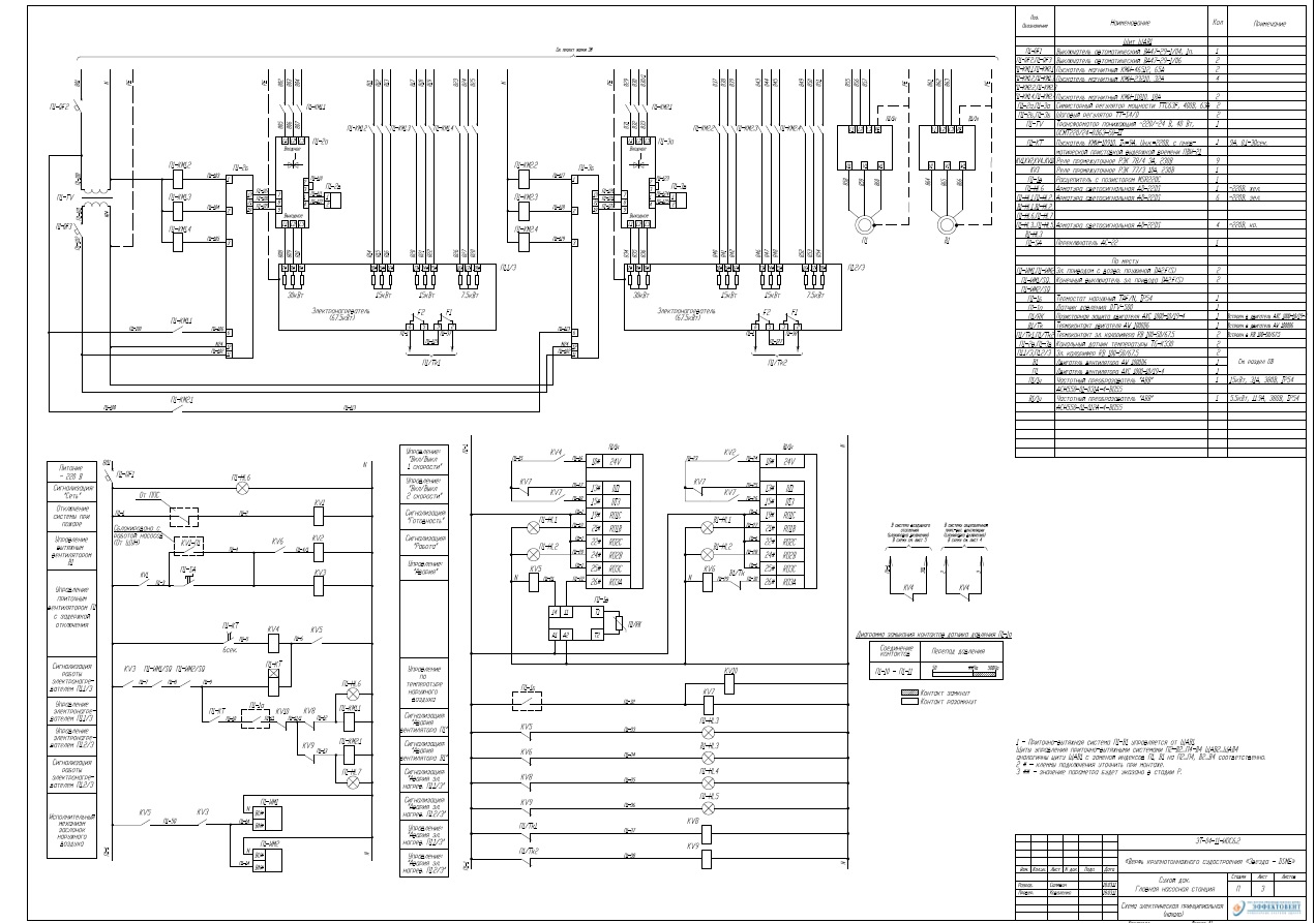
Автоматизация системы воздухоснабжения (АОВ)

Используемые навыки:

Описание

1 Автоматизация систем воздухоснабжения
Проектом предусматривается автоматизация работы:
приточных системы П1…П6, расположенных на отметке +1.000, вытяжных систем В1…В4, расположенных на отметке +2.000, и вытяжных систем В5 и В6, расположенных на отметке +4.000, обеспечивающих охлаждение главных осушительных насосов Н1…Н4 и обслуживающих помещение насосной на отметке -5.500.
1 Все системы отключаются при пожаре;
2 Автоматизация приточно-вытяжных систем:
- приточные системы П1…П4 включаются только после открытия их воздушных клапанов, приточные системы П5 и П6 сблокированы с открытием воздушных клапанов;
- производительность приточно-вытяжных систем управляется частотно-регулирующими устройствами и регуляторами напряжения с помощью термостатов наружного воздуха. При температуре наружного воздуха ниже +5 0С производительность систем П1-В1…П4-В4 составляет 11520 м3/ч, а систем П5-В5, П6-В6 – 3000 м3/ч. При температуре наружного воздуха +5 0С и выше производительность систем П1-В1…П4-В4 составляет 37900 м3/ч, а систем П5-В5, П6-В6 – 8000 м3/ч;
- приточно-вытяжные системы П1-В1…П4-В4 сблокированы с работой насосов Н1…Н4;
- при включении систем П1-В1…П4-В4 системы П5, П6 и тепловентиляторы отключаются;
- автоматическое управление канальными нагревателями контролируют регуляторы мощности по температуре в воздуховодах;
- сигнализация о работе приточных и вытяжных систем;
- сигнализация о загрязнении фильтров приточного воздуха;
- сигнализация об аварии систем.

Презентация проекта

pic3607337.jpg

Оценили проект:

0