Рейтинг: 53
не верифицирован
Всего отзывов: 0
  • Работ в портфолио: 3
  • Типовых услуг: 0
  • Работ на продажу: 0
Был на сайте:

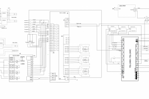
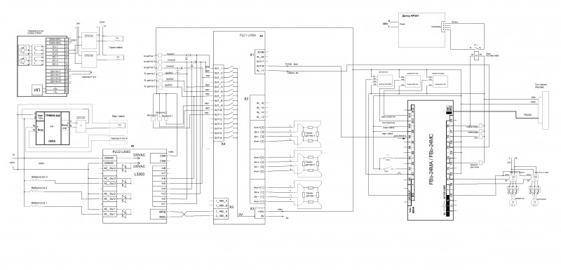
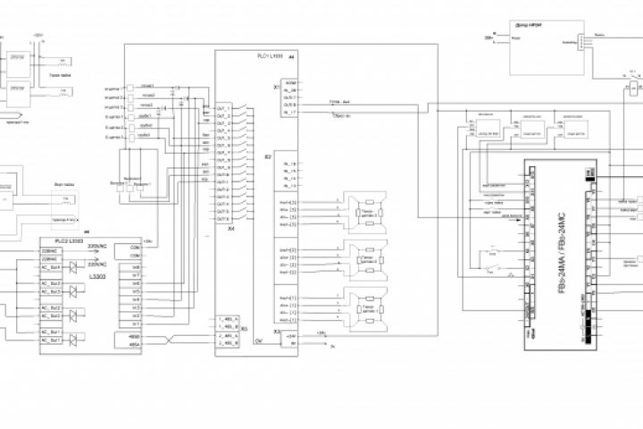
Трехручьевой упаковочный автомат

Описание

Трехручьевой упаковочный автомат для фасовки сыпучих продуктов в пластиковые пакеты с вибрационным весовым дозатором и тачпанелью.

Презентация проекта

pic3692091.jpg

Оценили проект:

0