Рейтинг: 53
не верифицирован
Всего отзывов: 0
  • Работ в портфолио: 3
  • Типовых услуг: 0
  • Работ на продажу: 0
Был на сайте:

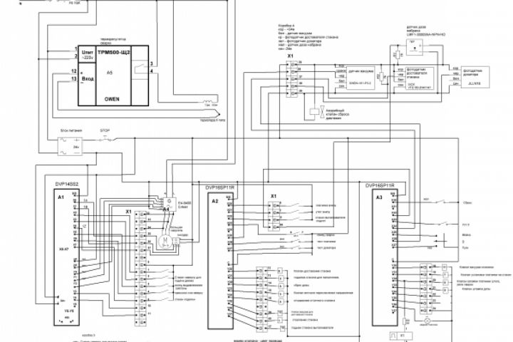
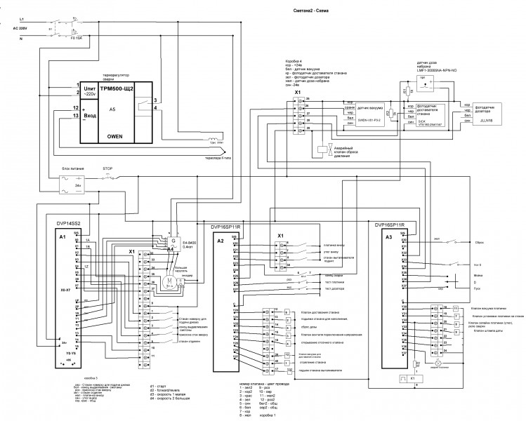
Автомат розлива сметаны

Описание

Карусельный Автомат розлива сметаны в пластиковые стаканы с электроприводом и обьемным дозатором.

Презентация проекта

pic3692120.jpg

Оценили проект:

0