Не только проектируем - но и внедряем в жизнь!!!

Александр Чванов shacker

Рейтинг: 77
не верифицирован
Всего отзывов: 0
Опубликовал заданий: 2
  • Работ в портфолио: 7
  • Типовых услуг: 0
  • Работ на продажу: 0
Был на сайте:

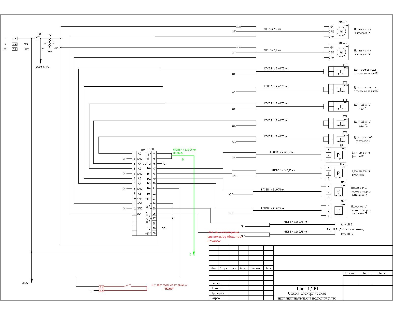
Схема принципиальная электрическая

Используемые навыки:

Описание

Фрагмент схемы управления вентиляцией. 4 установки с частотниками. Связь по modbus. контроллеры Segnetics свободнопрограммируемые.

Презентация проекта

pic791634.jpg

Оценили проект:

0