Остановись, подумай, сделай, наблюдай.

Максим Рындюк Maxim_R

Рейтинг: 74
не верифицирован
Всего отзывов: 0
  • Работ в портфолио: 4
  • Типовых услуг: 0
  • Работ на продажу: 0
Был на сайте:

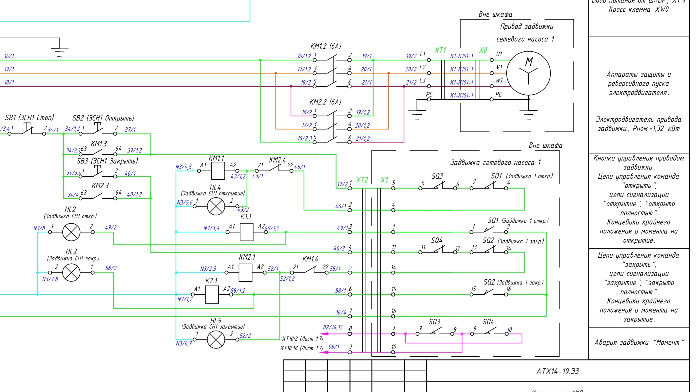
Шкаф управления задвижками и насосами

Используемые навыки:

Описание

Три задвижки
Три насоса через ПЧ Vacon
управление с дверцы шкафа кнопками
задание уставок ПЧ с сенсорной панели

Презентация проекта

pic2501530.jpg

Оценили проект:

0