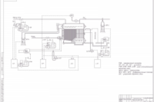
Функциональная схема котла
Для полной функциональности этого сайта необходимо включить JavaScript.
На сайте с: 31.05.2011
Дмитрий Бабаенко
dimonbds
Рейтинг: 51
не верифицирован
Всего отзывов:
0
Работ в портфолио:
11
Типовых услуг:
0
Работ на продажу:
0
Был на сайте:
2020-05-22 в 12:27
inbox
ninebds@rambler.ru
Предложить работу
Добавить в избранное
Добавить рекомендацию
Пожаловаться
Инженерия
23
0
Функциональная схема котла
Используемые навыки:
Чертежи/Схемы
Описание
Решение
Результат
Соавторы
Презентация проекта
Примеры реализации
Описание
Презентация проекта
Оценили проект:
0
×
Оценили проект
×
Авторизация
Для того чтобы оценивать проекты, вам нужно войти на сайт
Другие проекты
Все проекты
Установка напольной чаши бассейна 2
Стенд сварки кольцевых швов
Разрез цеха
FREELANCE.RU
Toggle navigation
Нанять фрилансера
Заказчику
Найти по специализации
Найти по услугам
Провести конкурс
Разместить задание
Другое
Найти работу
Фрилансеру
Найти задание
Присоединиться к команде
Участвовать в конкурсе
Другое
Возможности
Для заказчика
Для фрилансера
Вход
Разместить задание
▲