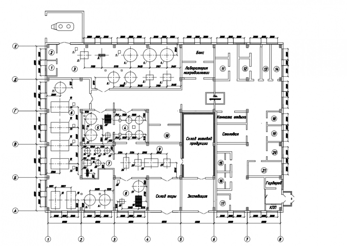
Проектирование завода по кисломолочной продукции
Проектирование молочного завода
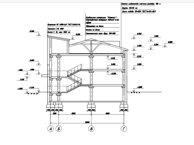
Чертеж дома
Схема элементов перекрытия
Чертеж двухэтажного дома в разрезе
Аппаратурно технологическая схема производства сыра голландског
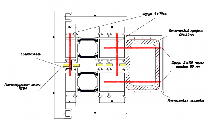
Проектирование оконных узлов