Эксперт в области проектирования, монтажа и обслуживания систем вентиляции, кондиционирования и дымоудаления.
Монтаж вентиляции в ТЦ «FAMILY ROOM»
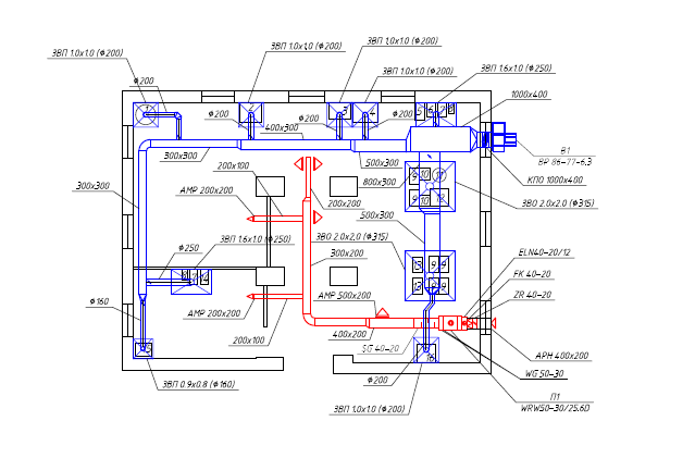
Монтаж систем вентиляции и кондиционирования на фуд-корте ТРЦ
Составление проекта под запрос клиента
Составление сметной документации
Установка слаботочных систем
Водоснабжение и водоотведение в помещениях
Автоматизация электроснабжения системы вентиляции