Mazda Axela 2017 – новая рестайлинговая модель Mazda 3
Опора двигателя правая Mazda 3 BK 1.6 подушка, BEA239060
Лос-Анджелесский дебют Mazda CX-5
Поспешите! Акционное новогоднее предложение на доставку заказа!
Весенняя скидка 7% на весь ассортимент!
Успей обставить сейфами свой офис, не упусти акцию!
Смарт сейф
Ювелирные сейфы
Лицевой (облицовочный) кирпич «Евротон» красный М-200
Натуральный камень Окатыш «Мусковит»
Тротуарная плитка Авеню "Римский камень"
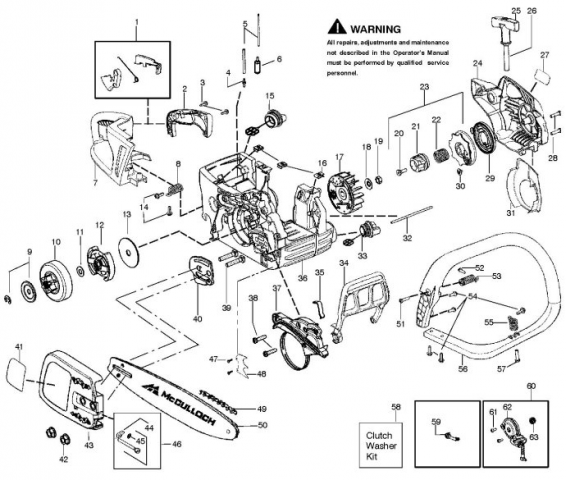
Бензиновые цепные пилы
Запчасти для бензопил Partner 738, 742, 842
Цепи для бензопил Олео-Мак
Головки моющие нержавеющие (стационарные, ротационные)
Фильтра для пищевой промышленности
Фланцы из нержавеющих сталей AISI 304/316