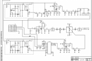
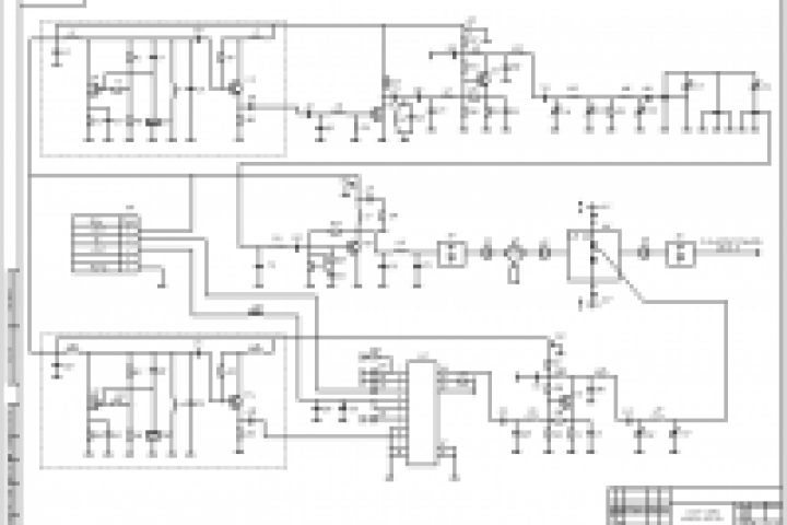
передатчик цифровой тропосферной линии связи
Для полной функциональности этого сайта необходимо включить JavaScript.
На сайте с: 15.08.2010
Александр Кавун
arbuz17
Рейтинг: 62
не верифицирован
Всего отзывов:
0
Опубликовал заданий:
2
Работ в портфолио:
12
Типовых услуг:
0
Работ на продажу:
0
Был на сайте:
2020-09-04 в 15:09
Предложить работу
Добавить в избранное
Добавить рекомендацию
Пожаловаться
Инженерия
17
0
передатчик цифровой тропосферной линии связи
Используемые навыки:
Чертежи/Схемы
Описание
Решение
Результат
Соавторы
Презентация проекта
Примеры реализации
Описание
Презентация проекта
Оценили проект:
0
×
Оценили проект
×
Авторизация
Для того чтобы оценивать проекты, вам нужно войти на сайт
Другие проекты
Все проекты
Телевидение (СКПТ)
Охранная сигнализация (ОС)
Диспетчеризация (АСУД)
FREELANCE.RU
Toggle navigation
Нанять фрилансера
Заказчику
Найти по специализации
Найти по услугам
Провести конкурс
Разместить задание
Другое
Найти работу
Фрилансеру
Найти задание
Присоединиться к команде
Участвовать в конкурсе
Другое
Возможности
Для заказчика
Для фрилансера
Вход
Разместить задание
▲