Чем больше времени на разработку проекта, тем дешевле для вас.

Leonid Voytsitskiy ttf64x

Рейтинг: 169
не верифицирован
Всего отзывов: 1 0
Выполнил заданий: 1
  • Активность:
  • Работ в портфолио: 64
  • Типовых услуг: 0
  • Работ на продажу: 0
Был на сайте:

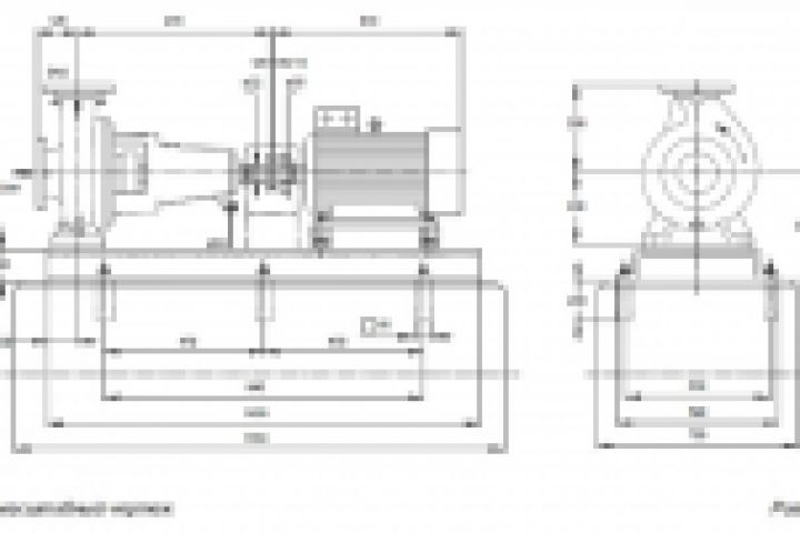
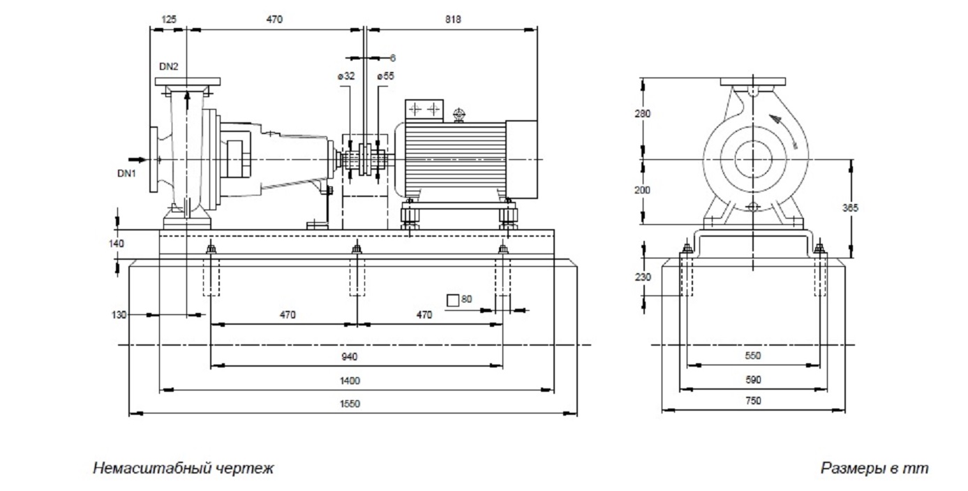
РАСЧЁТ ФУНДАМЕНТА НА ДИНАМИЧЕСКИЕ ВОЗДЕЙСВИЯ ОТ МАШИН

Используемые навыки:

Описание

РАСЧЁТ ФУНДАМЕНТА НА ДИНАМИЧЕСКИЕ ВОЗДЕЙСВИЯ ОТ МАШИН (В Т.Ч ОТ ВИБРАЦИИ)

Презентация проекта

pic3029877.jpg
РАСЧЁТ ФУНДАМЕНТА НА ДИНАМИЧЕСКИЕ ВОЗДЕЙСВИЯ ОТ МАШИН.jpg

Оценили проект:

0