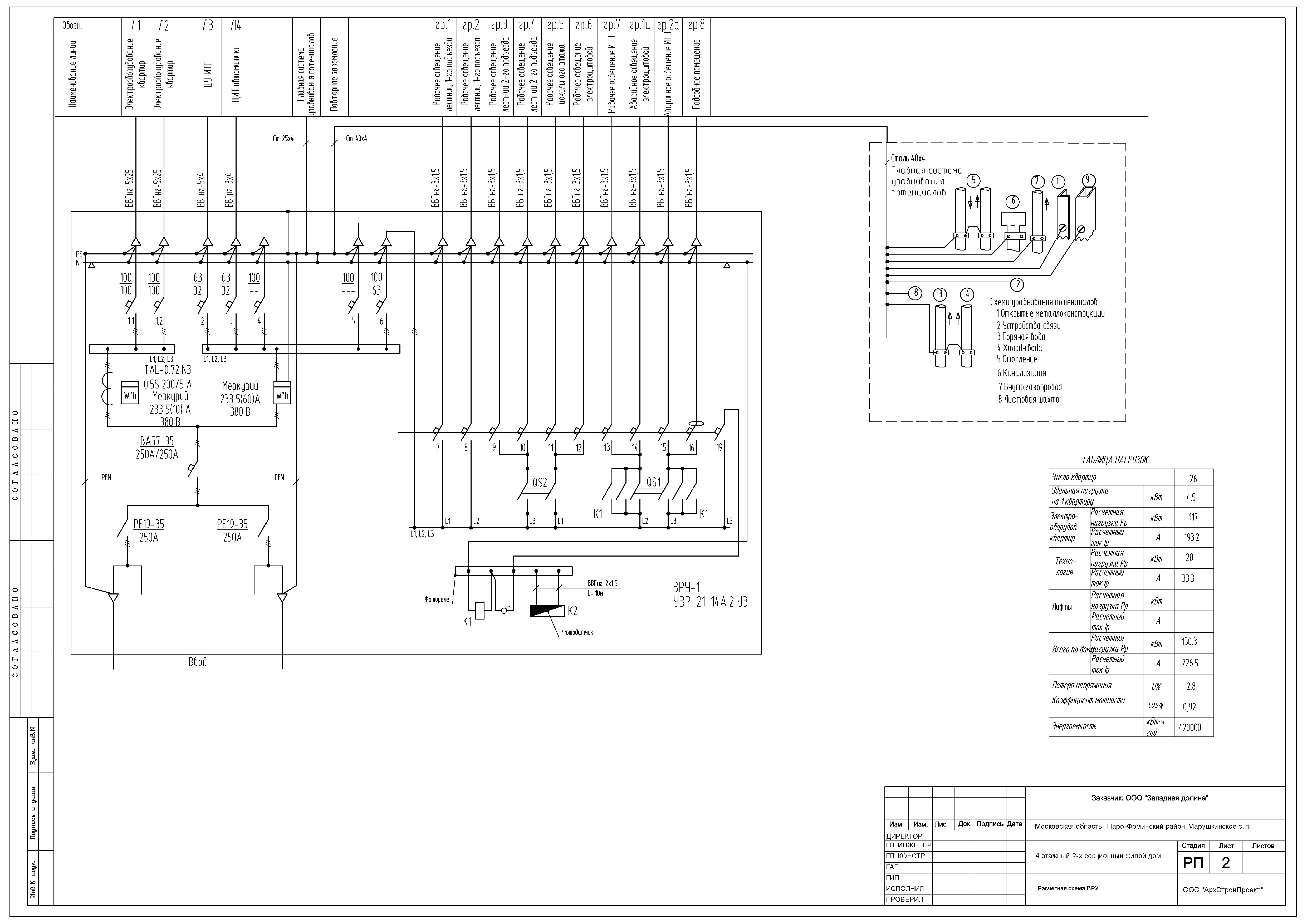
жилой 4-х жтажный 2-х подъездный дом
Для полной функциональности этого сайта необходимо включить JavaScript.
Брест
На сайте с: 24.07.2012
Константин Антипорович
KOCTYCb
Рейтинг: 63
не верифицирован
Всего отзывов:
0
Опубликовал заданий:
7
Работ в портфолио:
3
Типовых услуг:
0
Работ на продажу:
0
Был на сайте:
2020-09-30 в 09:40
Предложить работу
Добавить в избранное
Добавить рекомендацию
Пожаловаться
Инженерия
10
0
жилой 4-х жтажный 2-х подъездный дом
Описание
Решение
Результат
Соавторы
Презентация проекта
Примеры реализации
Описание
жилой 4-х жтажный 2-х подъездный дом
Презентация проекта
Оценили проект:
0
×
Оценили проект
×
Авторизация
Для того чтобы оценивать проекты, вам нужно войти на сайт
Другие проекты
Все проекты
наружное освещение автодороги
коттедж
FREELANCE.RU
Toggle navigation
Нанять фрилансера
Заказчику
Найти по специализации
Найти по услугам
Провести конкурс
Разместить задание
Другое
Найти работу
Фрилансеру
Найти задание
Присоединиться к команде
Участвовать в конкурсе
Другое
Возможности
Для заказчика
Для фрилансера
Вход
Разместить задание
▲