схема
Для полной функциональности этого сайта необходимо включить JavaScript.
На сайте с: 11.05.2017
Ротор Руслан
RusTor
Рейтинг: 150
не верифицирован
Всего отзывов:
0
Работ в портфолио:
100
Типовых услуг:
0
Работ на продажу:
0
Был на сайте:
2020-10-06 в 22:06
inbox
rotor-90@list.ru
Предложить работу
Добавить в избранное
Добавить рекомендацию
Пожаловаться
Графический дизайн
34
0
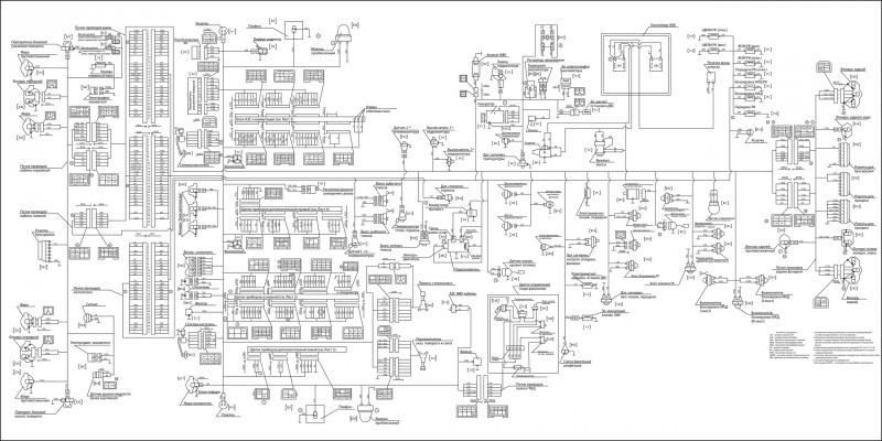
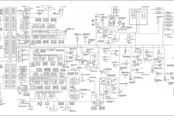
схема
Используемые навыки:
Векторная графика
Описание
Решение
Результат
Соавторы
Презентация проекта
Примеры реализации
Описание
схема
Презентация проекта
Оценили проект:
0
×
Оценили проект
×
Авторизация
Для того чтобы оценивать проекты, вам нужно войти на сайт
Другие проекты
Все проекты
Адптация HP моделей в LP для VR.
такт двигателя
медаль
FREELANCE.RU
Toggle navigation
Нанять фрилансера
Заказчику
Найти по специализации
Найти по услугам
Провести конкурс
Разместить задание
Виртуальный HR
Другое
Найти работу
Фрилансеру
Найти задание
Присоединиться к команде
Участвовать в конкурсе
Предложить услугу
Другое
Возможности
Для заказчика
Для фрилансера
Вход
Разместить задание
▲