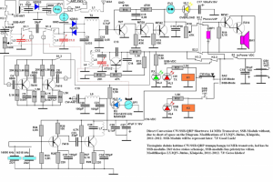
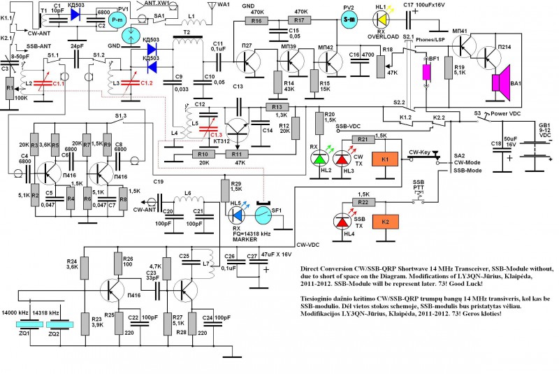
Direct Conversion QRP Transceiver
Для полной функциональности этого сайта необходимо включить JavaScript.
Клайпеда
55 лет
На сайте с: 26.10.2020
Jurijus Kriukas
ly3qn
Рейтинг: 89
не верифицирован
Всего отзывов:
0
Работ в портфолио:
29
Типовых услуг:
0
Работ на продажу:
0
Был на сайте:
2020-11-18 в 20:04
inbox
Предложить работу
Добавить в избранное
Добавить рекомендацию
Пожаловаться
Инженерия
14
0
Direct Conversion QRP Transceiver
Используемые навыки:
Чертежи/Схемы
Описание
Решение
Результат
Соавторы
Презентация проекта
Примеры реализации
Описание
Презентация проекта
Оценили проект:
0
×
Оценили проект
×
Авторизация
Для того чтобы оценивать проекты, вам нужно войти на сайт
Другие проекты
Все проекты
German Cities
Radio
Antennas Roof 1
FREELANCE.RU
Toggle navigation
Нанять фрилансера
Заказчику
Найти по специализации
Найти по услугам
Провести конкурс
Разместить задание
Другое
Найти работу
Фрилансеру
Найти задание
Присоединиться к команде
Участвовать в конкурсе
Другое
Возможности
Для заказчика
Для фрилансера
Вход
Разместить задание
▲