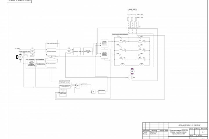
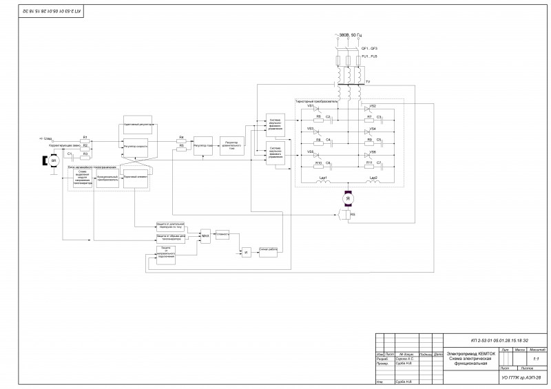
Блок-схема Электропривода "Кемток"
Для полной функциональности этого сайта необходимо включить JavaScript.
Гродно
На сайте с: 08.08.2018
Алексей Сорока
byatska
Рейтинг: 51
не верифицирован
Всего отзывов:
0
Работ в портфолио:
1
Типовых услуг:
0
Работ на продажу:
0
Был на сайте:
2021-01-29 в 22:15
+375336557382
inbox
Вконтакте
Предложить работу
Добавить в избранное
Добавить рекомендацию
Пожаловаться
Инженерия
40
0
Блок-схема Электропривода "Кемток"
Используемые навыки:
Чертежи/Схемы
Описание
Решение
Результат
Соавторы
Презентация проекта
Примеры реализации
Описание
Презентация проекта
Оценили проект:
0
×
Оценили проект
×
Авторизация
Для того чтобы оценивать проекты, вам нужно войти на сайт
FREELANCE.RU
Toggle navigation
Нанять фрилансера
Заказчику
Найти по специализации
Найти по услугам
Провести конкурс
Разместить задание
Другое
Найти работу
Фрилансеру
Найти задание
Присоединиться к команде
Участвовать в конкурсе
Другое
Возможности
Для заказчика
Для фрилансера
Вход
Разместить задание
▲