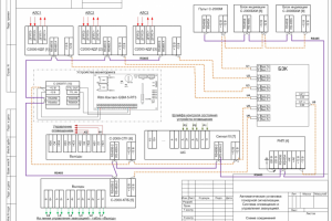
Схема АУПС
Для полной функциональности этого сайта необходимо включить JavaScript.
Москва
Схемотехника - сестра математики
Александр Трофимов
at8174
Рейтинг: 59
не верифицирован
Всего отзывов:
0
Работ в портфолио:
9
Типовых услуг:
1
Работ на продажу:
0
Зарегистрирован:
04.01.2021
Был на сайте:
2021-02-14 в 21:20
inbox
Предложить работу
Добавить в избранное
Добавить рекомендацию
Пожаловаться
Инженерия
41
0
Схема АУПС
Описание
Решение
Результат
Соавторы
Презентация проекта
Примеры реализации
Описание
Презентация проекта
Оценили проект:
0
×
Оценили проект
×
Авторизация
Для того чтобы оценивать проекты, вам нужно войти на сайт
Другие проекты
Все проекты
Функциональная схема взаимодействия
Структурная схема каналов и подключений
Схема сетевого взаимодействия L2
FREELANCE.RU
Toggle navigation
Нанять фрилансера
Заказчику
Каталог фрилансеров
Каталог PRO
Каталог студий
Каталог услуг
Каталог работ
Виртуальный HR
Умный поиск
Провести конкурс
Разместить задание
Найти работу
Найти задание
Присоединиться к команде
Участвовать в конкурсе
Предложить услугу
Вход
Разместить задание
▲