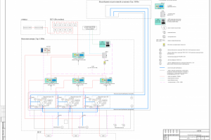
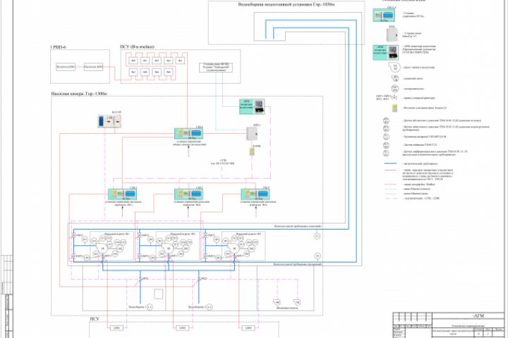
Автоматизация водоотлива. Схема структурная
Для полной функциональности этого сайта необходимо включить JavaScript.
Москва
На сайте с: 25.11.2020
качественно и в сроки
Дмитрий Лысков
dalyskov
Рейтинг: 65
не верифицирован
Всего отзывов:
0
Работ в портфолио:
5
Типовых услуг:
0
Работ на продажу:
0
Был на сайте:
2021-03-24 в 14:19
+79267052935
inbox
telegram
dalyskov@gmail.com
Предложить работу
Добавить в избранное
Добавить рекомендацию
Пожаловаться
Инженерия
141
0
Автоматизация водоотлива. Схема структурная
Используемые навыки:
Слаботочные системы
Описание
Решение
Результат
Соавторы
Презентация проекта
Примеры реализации
Описание
Презентация проекта
Оценили проект:
0
×
Оценили проект
×
Авторизация
Для того чтобы оценивать проекты, вам нужно войти на сайт
Другие проекты
Все проекты
Структурная схема КТС автоматической системы дымоудаления
Принципиальная однолинейная схема ГПП
Сечение воздушной линии электропередачи
FREELANCE.RU
Toggle navigation
Нанять фрилансера
Заказчику
Найти по специализации
Найти по услугам
Провести конкурс
Разместить задание
Виртуальный HR
Другое
Найти работу
Фрилансеру
Найти задание
Присоединиться к команде
Участвовать в конкурсе
Другое
Возможности
Для заказчика
Для фрилансера
Вход
Разместить задание
▲