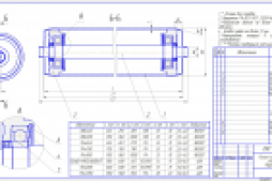
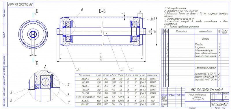
Ролики конвейерные всех типоразмеров
Для полной функциональности этого сайта необходимо включить JavaScript.
Польша
Dmytro Riazanov
DmyRia
Рейтинг: 184
не верифицирован
Всего отзывов:
3
0
Выполнил заданий:
3
Нейросаммари
Активность:
Работ в портфолио:
29
Типовых услуг:
0
Работ на продажу:
0
Возраст:
33 года
Зарегистрирован:
01.03.2017
Был на сайте:
2025-06-20 в 09:26
inbox
Предложить работу
Добавить в избранное
Добавить рекомендацию
Пожаловаться
Инженерия
228
0
Ролики конвейерные всех типоразмеров
Используемые навыки:
Чертежи/Схемы
Описание
Решение
Результат
Соавторы
Презентация проекта
Примеры реализации
Описание
Презентация проекта
Оценили проект:
0
×
Оценили проект
×
Авторизация
Для того чтобы оценивать проекты, вам нужно войти на сайт
Другие проекты
Все проекты
Коленчатый вал ВАЗ 21083 (модель)
Манипулятор промышленный
Желоб песковый (модель)
FREELANCE.RU
Toggle navigation
Нанять фрилансера
Заказчику
Найти по специализации
Найти по услугам
Провести конкурс
Разместить задание
Виртуальный HR
Найти студию
Другое
Найти работу
Фрилансеру
Найти задание
Присоединиться к команде
Участвовать в конкурсе
Предложить услугу
Другое
Возможности
Для заказчика
Для фрилансера
Вход
Разместить задание
▲