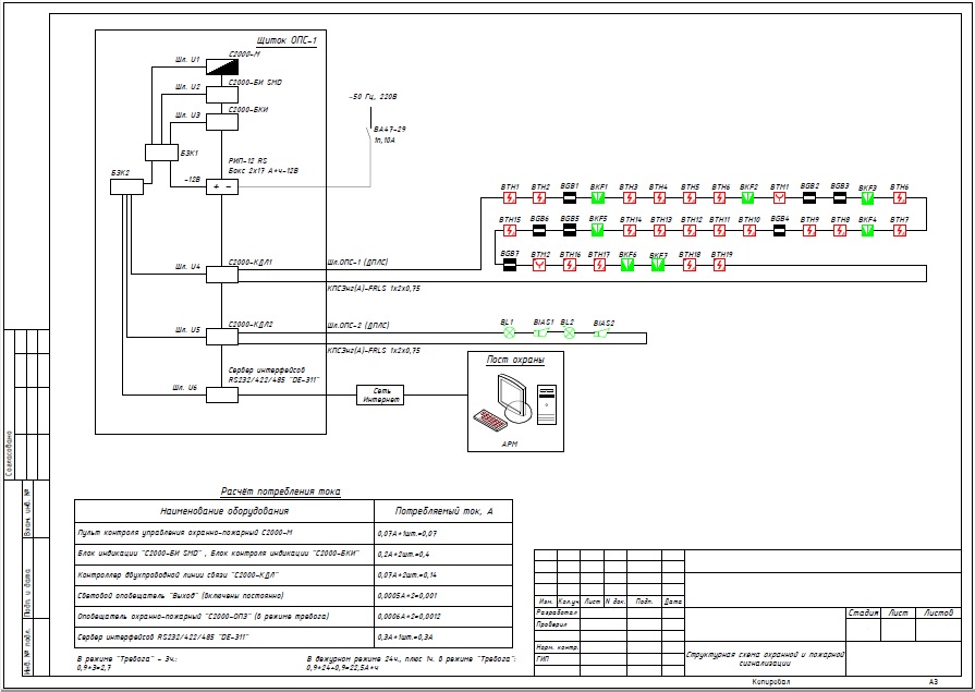
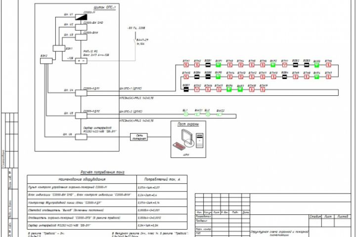
Структурная схема ОПС
Для полной функциональности этого сайта необходимо включить JavaScript.
Кемерово
На сайте с: 02.02.2017
Главное качество результата
Анастасия Грошева
Anestiya
Рейтинг: 53
не верифицирован
Всего отзывов:
0
Работ в портфолио:
3
Типовых услуг:
0
Работ на продажу:
0
Была на сайте:
2021-04-29 в 09:02
+7 (960) 906 61 95
inbox
Предложить работу
Добавить в избранное
Добавить рекомендацию
Пожаловаться
Инженерия
39
0
Структурная схема ОПС
Используемые навыки:
Слаботочные системы
Описание
Решение
Результат
Соавторы
Презентация проекта
Примеры реализации
Описание
Структурная схема ОПС и СОУЭ
Презентация проекта
Оценили проект:
0
×
Оценили проект
×
Авторизация
Для того чтобы оценивать проекты, вам нужно войти на сайт
Другие проекты
Все проекты
Освещение офисного здания
Схема вводно-распределительного устройства
FREELANCE.RU
Toggle navigation
Нанять фрилансера
Заказчику
Найти по специализации
Найти по услугам
Провести конкурс
Разместить задание
Другое
Найти работу
Фрилансеру
Найти задание
Присоединиться к команде
Участвовать в конкурсе
Другое
Возможности
Для заказчика
Для фрилансера
Вход
Разместить задание
▲