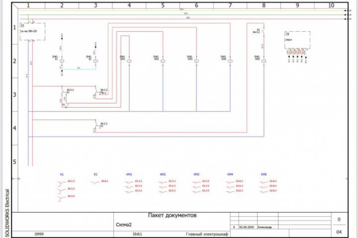
Схема модернизации мостового крана(ход моста)
Для полной функциональности этого сайта необходимо включить JavaScript.
Люберцы
Великое начинается с малого.
Александр Покунов
apknv
Рейтинг: 75
не верифицирован
Всего отзывов:
0
Работ в портфолио:
15
Типовых услуг:
0
Работ на продажу:
0
Зарегистрирован:
05.06.2021
Был на сайте:
2021-06-19 в 18:06
inbox
telegram
Предложить работу
Добавить в избранное
Добавить рекомендацию
Пожаловаться
Инженерия
33
0
Схема модернизации мостового крана(ход моста)
Используемые навыки:
Чертежи/Схемы
Описание
Решение
Результат
Соавторы
Презентация проекта
Примеры реализации
Описание
Презентация проекта
Оценили проект:
0
×
Оценили проект
×
Авторизация
Для того чтобы оценивать проекты, вам нужно войти на сайт
Другие проекты
Все проекты
Схема автоматизации
Куб контрольный. Расчет запаса прочности.
Шкаф управления на мостовой кран
FREELANCE.RU
Toggle navigation
Нанять фрилансера
Заказчику
Найти по специализации
Найти по услугам
Провести конкурс
Разместить задание
Виртуальный HR
Найти студию
Другое
Найти работу
Фрилансеру
Найти задание
Присоединиться к команде
Участвовать в конкурсе
Предложить услугу
Другое
Возможности
Для заказчика
Для фрилансера
Вход
Разместить задание
▲