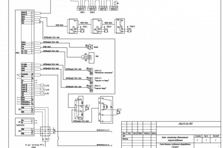
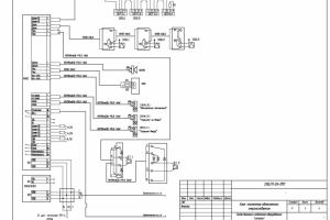
Проект АПС, АСПТ АГГС.
Для полной функциональности этого сайта необходимо включить JavaScript.
Тула
Посредников прошу не беспокоить.
Дмитрий Иверов
alternier
Рейтинг: 146
не верифицирован
Всего отзывов:
11
1
Выполнил заданий:
15
Работ в портфолио:
41
Типовых услуг:
0
Работ на продажу:
0
Зарегистрирован:
24.12.2019
Был на сайте:
2021-07-27 в 19:40
Предложить работу
Добавить в избранное
Добавить рекомендацию
Пожаловаться
Инженерия
25
0
Проект АПС, АСПТ АГГС.
Используемые навыки:
Слаботочные системы
Описание
Решение
Результат
Соавторы
Презентация проекта
Примеры реализации
Описание
Презентация проекта
Оценили проект:
0
×
Оценили проект
×
Авторизация
Для того чтобы оценивать проекты, вам нужно войти на сайт
Другие проекты
Все проекты
Модернизация НС
Проект АПС, АСПТ АГГС.
Модели и чертежи шкивов
FREELANCE.RU
Toggle navigation
Нанять фрилансера
Заказчику
Найти по специализации
Найти по услугам
Провести конкурс
Разместить задание
Виртуальный HR
Найти студию
Другое
Найти работу
Фрилансеру
Найти задание
Присоединиться к команде
Участвовать в конкурсе
Предложить услугу
Другое
Возможности
Для заказчика
Для фрилансера
Вход
Разместить задание
▲