Привод разъединителя,
Для полной функциональности этого сайта необходимо включить JavaScript.
За всякое дело берись умело.
Таисья Гасымова
taismg
Рейтинг: 36
не верифицирован
Всего отзывов:
0
Работ в портфолио:
6
Типовых услуг:
0
Работ на продажу:
0
Зарегистрирован:
30.05.2019
Был на сайте:
2021-09-12 в 14:17
inbox
Предложить работу
Добавить в избранное
Добавить рекомендацию
Пожаловаться
Инженерия
12
0
Привод разъединителя,
Используемые навыки:
Проектирование объектов
Описание
Решение
Результат
Соавторы
Презентация проекта
Примеры реализации
Описание
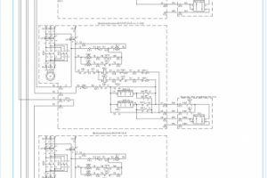
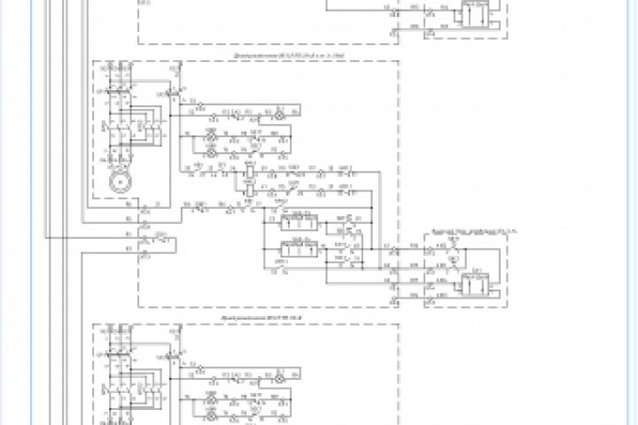
электрическая схема РЗА
Презентация проекта
Оценили проект:
0
×
Оценили проект
×
Авторизация
Для того чтобы оценивать проекты, вам нужно войти на сайт
Другие проекты
Все проекты
Электроснабжение расстановка оборудования
Электроснабжение расстановка оборудования
Работа 4156772
FREELANCE.RU
Toggle navigation
Нанять фрилансера
Заказчику
Каталог фрилансеров
Каталог PRO
Каталог студий
Каталог услуг
Каталог работ
Виртуальный HR
Умный поиск
Провести конкурс
Разместить задание
Найти работу
Найти задание
Присоединиться к команде
Участвовать в конкурсе
Предложить услугу
Вход
Разместить задание
▲