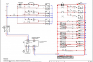
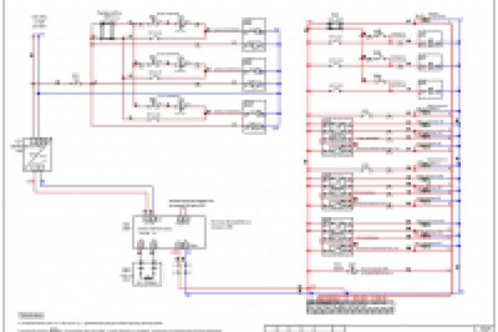
ВРУ ТП 2500А управление Сименс лого
Для полной функциональности этого сайта необходимо включить JavaScript.
Санкт-Петербург
На сайте с: 28.01.2017
Не быстро, недешево, но качественно!
Владимир Щеблыкин
spylex
Рейтинг: 96
не верифицирован
Всего отзывов:
0
Активность:
Работ в портфолио:
6
Типовых услуг:
0
Работ на продажу:
0
Был на сайте:
2021-10-01 в 22:15
inbox
spylex@inbox.ru
Предложить работу
Добавить в избранное
Добавить рекомендацию
Пожаловаться
Инженерия
10
0
ВРУ ТП 2500А управление Сименс лого
Используемые навыки:
Чертежи/Схемы
Описание
Решение
Результат
Соавторы
Презентация проекта
Примеры реализации
Описание
Презентация проекта
Оценили проект:
0
×
Оценили проект
×
Авторизация
Для того чтобы оценивать проекты, вам нужно войти на сайт
Другие проекты
Все проекты
ВРУ ТП 2500А управление Сименс лого
ВРУ ТП 2500А
ВРУ ТП 2500А эскиз оборудования
FREELANCE.RU
Toggle navigation
Нанять фрилансера
Заказчику
Найти по специализации
Найти по услугам
Провести конкурс
Разместить задание
Другое
Найти работу
Фрилансеру
Найти задание
Присоединиться к команде
Участвовать в конкурсе
Другое
Возможности
Для заказчика
Для фрилансера
Вход
Разместить задание
▲