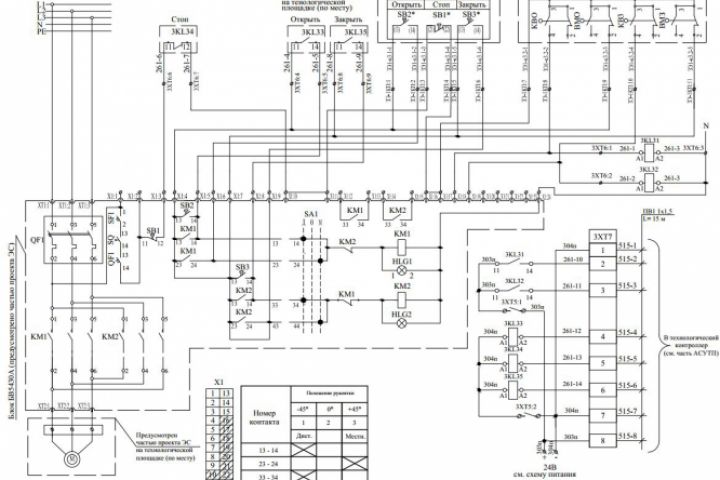
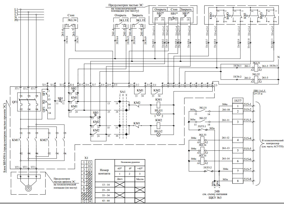
Схема принципиальная Э3. Управление задвижками
Для полной функциональности этого сайта необходимо включить JavaScript.
Орск
39 лет
На сайте с: 07.11.2018
Дмитрий Пряхин
pryaxin1986
Рейтинг: 55
не верифицирован
Всего отзывов:
0
1
Выполнил заданий:
1
Работ в портфолио:
10
Типовых услуг:
0
Работ на продажу:
0
Был на сайте:
2021-12-13 в 10:25
inbox
Предложить работу
Добавить в избранное
Добавить рекомендацию
Пожаловаться
Инженерия
89
0
Схема принципиальная Э3. Управление задвижками
Используемые навыки:
Слаботочные системы
Описание
Решение
Результат
Соавторы
Презентация проекта
Примеры реализации
Описание
Презентация проекта
Оценили проект:
0
×
Оценили проект
×
Авторизация
Для того чтобы оценивать проекты, вам нужно войти на сайт
Другие проекты
Все проекты
АПС, СОУЭ, АППЗ производственного здания
АПС, СОУЭ, АППЗ Офисов
Автоматизация ИТП
FREELANCE.RU
Toggle navigation
Нанять фрилансера
Заказчику
Найти по специализации
Найти по услугам
Провести конкурс
Разместить задание
Другое
Найти работу
Фрилансеру
Найти задание
Присоединиться к команде
Участвовать в конкурсе
Другое
Возможности
Для заказчика
Для фрилансера
Вход
Разместить задание
▲