Рейтинг: 185
не верифицирован
Всего отзывов: 2 0
Выполнил заданий: 2
  • Работ в портфолио: 16
  • Типовых услуг: 0
  • Работ на продажу: 0
  • Возраст: 33 года
  • Зарегистрирован: 19.01.2019
Был на сайте:

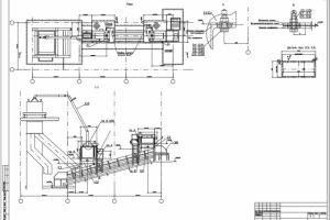
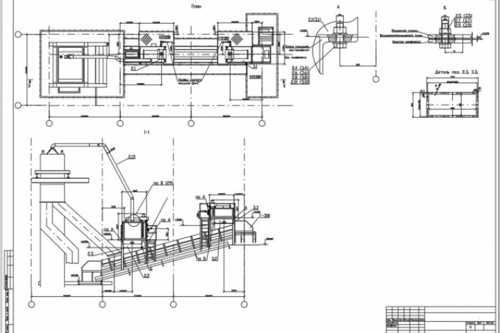
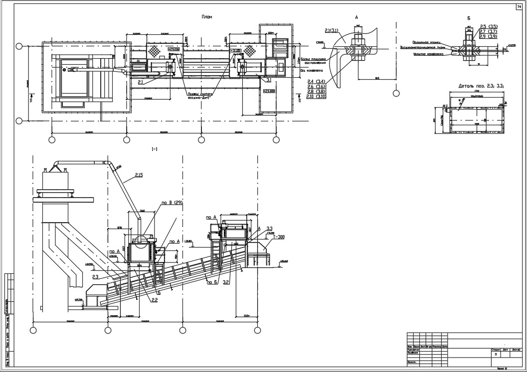
Ленточный конвейер

Используемые навыки:

Описание

Чертеж выполненный по всем правилам ГОСТ 2.109-73 ЕСКД. Основные требования к чертежам.

Презентация проекта

pic3979679.jpg

Оценили проект:

0