Рейтинг: 45
не верифицирован
Всего отзывов: 0
  • Работ в портфолио: 5
  • Типовых услуг: 0
  • Работ на продажу: 0
Был на сайте:

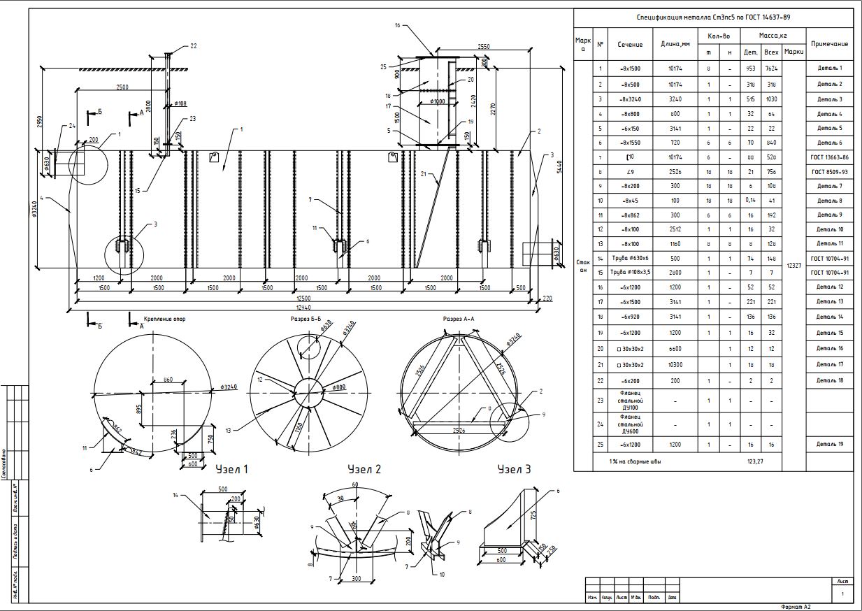
КМД на стальной резервуар

Описание

Стальной усиленный подземный резервуара запаса воды.

Презентация проекта

pic4184214.jpg

Оценили проект:

0