лучше ничего не поймать, чем ничего не ловить

Глеб Мельников totemus

Рейтинг: 82
не верифицирован
Всего отзывов: 0
  • Работ в портфолио: 52
  • Типовых услуг: 0
  • Работ на продажу: 0
Был на сайте:

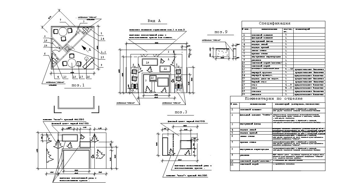
Выставочный стенд строительной компании

Используемые навыки:

Описание

Выставочный стенд строительной компании, поставлявшей деревянные дома из Финляндии.

Презентация проекта

pic4237522.jpg
док1.jpg

Оценили проект:

0