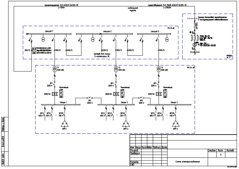
Рабочая документация ТП 10/0,4кВ 3x1600кВа
Для полной функциональности этого сайта необходимо включить JavaScript.
Санкт-Петербург
Григорий Хохлов
Gri128
Рейтинг: 57
не верифицирован
Всего отзывов:
0
Работ в портфолио:
7
Типовых услуг:
0
Работ на продажу:
0
Зарегистрирован:
31.08.2012
Был на сайте:
2022-04-20 в 19:58
+7 905 278 94 90
inbox
Предложить работу
Добавить в избранное
Добавить рекомендацию
Пожаловаться
Инженерия
90
0
Рабочая документация ТП 10/0,4кВ 3x1600кВа
Используемые навыки:
Электроснабжение
Описание
Решение
Результат
Соавторы
Презентация проекта
Примеры реализации
Описание
Презентация проекта
Оценили проект:
0
×
Оценили проект
×
Авторизация
Для того чтобы оценивать проекты, вам нужно войти на сайт
Другие проекты
Все проекты
Однолинейная схема щита наружного освещения
Однолинейная схема ГРЩ гипермаркета Лента
Электроснабжение частного жилого дома 15 кВт
FREELANCE.RU
Toggle navigation
Нанять фрилансера
Заказчику
Каталог фрилансеров
Каталог PRO
Каталог студий
Каталог услуг
Каталог работ
Виртуальный HR
Умный поиск
Провести конкурс
Разместить задание
Найти работу
Найти задание
Присоединиться к команде
Участвовать в конкурсе
Предложить услугу
Вход
Разместить задание
▲